France

Medizintechnik-Patent der Woche Vorrichtung, System und Verfahren zur Erkennung von Blutgerinnseln

Quelle: DPMA 1 min Lesedauer

Anbieter zum Thema

Aus der Fülle an Einreichungen beim Deutschen Patent- und Markenamt (DPMA) und Europäischen Patentamt (EPA) präsentiert die Devicemed-Redaktion wöchentlich das „Patent der Woche“. Heute: eine Vorrichtung,ein System und ein Verfahren zur Erkennung von Blutgerinnseln.

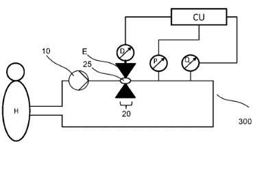
Vorrichtung, System und Verfahren zur Erkennung von Blutgerinnseln (Bild:  Fresenius/DPMA)
Vorrichtung, System und Verfahren zur Erkennung von Blutgerinnseln
(Bild: Fresenius/DPMA)

Um eine Erkennung von Blutgerinnseln in einem extrakorporalen Blutkreislauf zu ermöglichen, wird eine Vorrichtung zur Erkennung von Blutgerinnseln in einem extrakorporalen Blutkreislauf vorgeschlagen, die Vorrichtung optional aufweisend einen Aktor, der eine einstellbare Engstelle an dem extrakorporalen Blutkreislauf erzeugen kann, indem er den Querschnitt eines Abschnitts einer Blutleitung verringert, mindestens einen Sensor, der mindestens einen Parameter, der in Beziehung zu einer Eigenschaft der Flüssigkeit in dem extrakorporalen Blutkreislauf steht, erfasst, und ein Steuergerät, das so konfiguriert ist, dass ein Messsignal von dem mindestens einen Sensor ausgewertet wird, und das anhand dieser Auswertung des von dem Sensor gemessenen Parameters der Durchgang eines Blutgerinnsels durch die Engstelle und/oder das Steckenbleiben eines Blutgerinnsels in der Engstelle erkannt werden kann.

Patentdaten:

  • Aktenzeichen: DE102022133981A1
  • Anmeldetag: 19.12.2022
  • Offenlegungstag: 13.06.2024
  • Anmelder: Fresenius Medical Care Deutschland GmbH, 61352 Bad Homburg, DE
  • Erfinder: Urban, Martin, 61352 Bad Homburg, DE; Weis, Manfred, 61352 Bad Homburg, DE; Müller Ralf, 61352 Bad Homburg, DE; Wiktor, Christoph, 61352 Bad Homburg, DE; Peters, Arne, 61352 Bad Homburg, DE

Die Angaben sind dem Depatisnet des Deutschen Patent- und Markenamtes im Original-Wortlaut entnommen.

Lesen Sie auch:

(ID:50065438)

Jetzt Newsletter abonnieren

Verpassen Sie nicht unsere besten Inhalte

Mit Klick auf „Newsletter abonnieren“ erkläre ich mich mit der Verarbeitung und Nutzung meiner Daten gemäß Einwilligungserklärung (bitte aufklappen für Details) einverstanden und akzeptiere die Nutzungsbedingungen. Weitere Informationen finde ich in unserer Datenschutzerklärung. Die Einwilligungserklärung bezieht sich u. a. auf die Zusendung von redaktionellen Newslettern per E-Mail und auf den Datenabgleich zu Marketingzwecken mit ausgewählten Werbepartnern (z. B. LinkedIn, Google, Meta).

Aufklappen für Details zu Ihrer Einwilligung