France

Medizintechnik-Patent der Woche Verfahren zum Steuern eines Mikroskops und Mikroskop

Quelle: DPMA

Anbieter zum Thema

Heute: ein Verfahren zum Steuern eines Mikroskops und Mikroskop. Die Medizintechnik-Industrie ist führend bei der Anmeldung von Patenten. Aus der Fülle an Einreichungen beim Deutschen Patent- und Markenamt wählt die Devicemed-Redaktion wöchentlich ihr Patent der Woche.

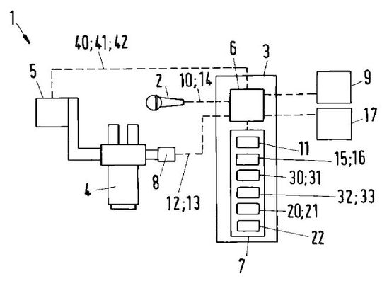
Ein Verfahren zum Steuern eines Mikroskops und Mikroskop.(Bild:  DPMA)
Ein Verfahren zum Steuern eines Mikroskops und Mikroskop.
(Bild: DPMA)

Die Erfindung betrifft ein Verfahren zum Steuern eines Mikroskops (1), wobei eine Sprachinformation (10) mittels mindestens eines Mikrofons (2) erfasst wird, wobei ausgehend von der erfassten Sprachinformation (10) aus mehreren Befehlen ein der Sprachinformation (10) zugeordneter Befehl (21) erkannt wird, wobei ein Betriebskontext (20), in dem sich das Mikroskop (1) beim Erfassen der Sprachinformation (10) befindet, ausgehend von mindestens einer Kontextinformation (11) bestimmt wird, wobei mindestens eine Mikroskopaktion (22) unter Berücksichtigung des erkannten Befehls (21) bestimmt wird, und wobei mindestens ein Steuerbefehl (40) zum Steuern des Mikroskops (1) zum Ausführen der mindestens einen bestimmten Mikroskopaktion (22) erzeugt wird, und wobei die mindestens eine Mikroskopaktion (22) durch Ansteuern des Mikroskops (1) mittels des erzeugten mindestens einen Steuerbefehls (40) ausgeführt wird, wobei das Erkennen des zugeordneten Befehls (21) unter Berücksichtigung des bestimmten Betriebskontextes (20) erfolgt, und/oder wobei die mindestens eine Mikroskopaktion (22) unter Berücksichtigung des bestimmten Betriebskontextes (20) bestimmt wird. Ferner betrifft die Erfindung ein Mikroskop (1).

Patentdaten:

  • Aktenzeichen: DE 10 2020 214 610 A1
  • Anmeldetag: 19.11.2020
  • Offenlegungstag: 19.05.2022
  • Anmelder: Carl Zeiss Meditec AG, 07745 Jena, DE
  • Erfinder: Albrecht, Christian, 73431 Aalen, DE; Saur, Stefan,
  • 73431 Aalen, DE

Die Angaben sind dem Depatisnet des Deutschen Patent- und Markenamtes im Original-Wortlaut entnommen.

Lesen Sie auch:

(ID:48360465)

Jetzt Newsletter abonnieren

Verpassen Sie nicht unsere besten Inhalte

Mit Klick auf „Newsletter abonnieren“ erkläre ich mich mit der Verarbeitung und Nutzung meiner Daten gemäß Einwilligungserklärung (bitte aufklappen für Details) einverstanden und akzeptiere die Nutzungsbedingungen. Weitere Informationen finde ich in unserer Datenschutzerklärung. Die Einwilligungserklärung bezieht sich u. a. auf die Zusendung von redaktionellen Newslettern per E-Mail und auf den Datenabgleich zu Marketingzwecken mit ausgewählten Werbepartnern (z. B. LinkedIn, Google, Meta).

Aufklappen für Details zu Ihrer Einwilligung