Littelfuse Europe GmbH
Airbus-Allee 2 ⎢ 28199 Bremen ⎢ Deutschland ⎢
Routenplaner
Artikel | 31.10.2022
„Das Optimale ist oft ein Kompromiss.“
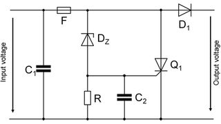
Artikel | 20.09.2022
Thyristor-Crowbar: Wenn der Kurzschluss die bessere Lösung ist
Artikel | 11.08.2022
Frag den Schulz! Wie lange hält Leistungselektronik?
Artikel | 02.08.2022
Frag den Schulz! Wie lange hält Leistungselektronik?
Artikel | 08.06.2022
Frag den Schulz! Das Mysterium Chip-Temperatur
Artikel | 15.05.2022
Frag den Schulz! Wenn alle Theorie nicht weiterhilft
Artikel | 21.03.2022
IGBT schalten: Vorsicht, inhomogene Stromdichteverteilung!
Artikel | 18.02.2022
Frag den Schulz! So funktioniert das Parallelschalten von IGBTs
